Type SA Super Arch Fender
Type SA Super Arch Fender Introduction
Super arch rubber fender is tough and reliable, simple and long lasting, providing trouble-free service for a wide variety of berthing even under the most severe conditions. Super Arch rubber fender has the better stability and stronger attachment to the supporting structure than the traditional arch rubber fenders.
Super arch rubber fender has the higher performance than the traditional V & M type rubber fenders. It can be fitted vertically or horizontally. Based on the same unit weight of rubber, the energy absorption of super arch rubber fenders is 2.3 times higher than D type rubber fender, 3.5 times higher than the cylindrical rubber fenders.
Super arch rubber fenders also can be bolted with UHMW-PE face pads, combining resilience with low-friction, non-marking properties, called SANP. This design can reduce the torsion the bottom of the fender dramatically, then prolong the life-span of rubber fender body. The UHMW-PE face pads have various colors and can be replaced easily.
SAN and SANP super arch rubber fenders are available in many sizes from 200mm to 1000mm high and in lengths of 1000mm to 3500mm. There are many types of rubber compounds as standard. Special requirements also are available.
The Super Arch Rubber Fender can be supplied with certification from any of the major classification societies.
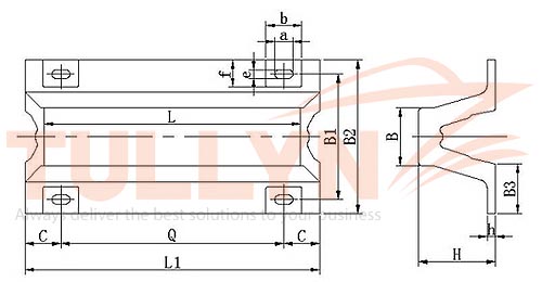
Type SA Super Arch Rubber Fender Drawing

Type SA Super Arch Rubber Fender Drawing
Type SA Super Arch Rubber Fender Spec
| Model | H | L | L1 | B | B1 | B2 | c | d | e | f | h | p | s | n |
| mm | mm | mm | mm | mm | mm | mm | mm | mm | mm | mm | mm | mm | ||
| SA300×1000 | 300 | 1000 | 1150 | 225 | 600 | 490 | 140 | 35 | 105 | 140 | 33 | 870 | 195 | 1 |
| SA300×1500 | 300 | 1500 | 1650 | 225 | 600 | 490 | 140 | 35 | 105 | 140 | 33 | 685 | 195 | 2 |
| SA300×2000 | 300 | 2000 | 2150 | 225 | 600 | 490 | 137.5 | 35 | 105 | 140 | 33 | 625 | 195 | 3 |
| SA400×1000 | 400 | 1000 | 1200 | 300 | 800 | 670 | 150 | 41 | 12 | 165 | 40 | 900 | 260 | 1 |
| SA400×1500 | 400 | 1500 | 1700 | 300 | 800 | 670 | 150 | 41 | 120 | 165 | 40 | 700 | 260 | 2 |
| SA400×2000 | 400 | 2000 | 2200 | 300 | 800 | 670 | 147.5 | 41 | 120 | 165 | 40 | 635 | 260 | 3 |
| SA500×1000 | 500 | 1000 | 1250 | 375 | 1000 | 840 | 160 | 47 | 140 | 180 | 45 | 930 | 325 | 1 |
| SA500×1500 | 500 | 1500 | 1750 | 375 | 1000 | 840 | 160 | 47 | 140 | 180 | 45 | 715 | 325 | 2 |
| SA500×2000 | 500 | 2000 | 2250 | 375 | 1000 | 840 | 157.5 | 47 | 140 | 180 | 45 | 645 | 325 | 3 |
| SA600×1000 | 600 | 1000 | 1300 | 450 | 1200 | 1010 | 170 | 50 | 160 | 195 | 54 | 960 | 390 | 1 |
| SA600×1500 | 600 | 1500 | 1800 | 450 | 1200 | 1010 | 170 | 50 | 160 | 195 | 54 | 730 | 390 | 2 |
| SA600×2000 | 600 | 2000 | 2300 | 450 | 1200 | 1010 | 167.5 | 50 | 160 | 195 | 54 | 655 | 390 | 3 |
| SA800×1000 | 800 | 1000 | 1400 | 600 | 1600 | 1340 | 180 | 68 | 260 | 270 | 72 | 1040 | 520 | 1 |
| SA800×1500 | 800 | 1500 | 1900 | 600 | 1600 | 1340 | 180 | 68 | 260 | 270 | 72 | 770 | 520 | 2 |
Please note that the above specifications are “general specifications” that pertain to the majority of our production. These specifications should only be used for general, informational purposes. Subject to change without prior notice. For the actual specification, please check with us when order placed. Classification certification like CCS, DNV, BV, LR, NK, KR, RS shall be provided upon request.




Reviews
There are no reviews yet.